回導覽頁
∣
加入最愛
∣
回首頁
∣
寫信給我
.................................................
|
鋁擠型系列
•
20系列
•
30系列
•
40系列
•
L系列
.................................................
|
連接配件
•
20系列
•
30系列
•
40系列
.................................................
|
門板配件
•
蝴蝶扣
•
磁石組
•
把手/ 取手
.................................................
|
其他配件
•
調整腳 / 墊塊
•
活動輪
■
30
系列
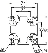
-DF6060-6
材 質:
A6N01S-T5
表面處理:
陽極硬化處理
重 量:
2.8Kg/m
最大長度:
6050mm
斷 面 積:
1023mm
2
斷 面
2
次:
Ix =40.0×10
4
mm
4
Iy =40.0×10
4
mm
4
端蓋:
DEC6060
材質:
ABS
顏色:
黑色
■
組裝範例
>
配件系列
30 系列配件
蝴蝶扣
磁石組
把手/取手
調整腳/墊塊
活動輪
大箂企業有限公司
Dah Lai Automatic Precision Co., Ltd.
Tel : 886-3-4204136 Fax : 886-3-4204450 Web:
桃園市平鎮區民族路雙連二段
118
巷
51
弄
27
號
E-Mail: